本文です
トップへ戻る
グローバルメニューへ

求職者の方へ

機械・CADオペレーション科のご案内

訓練の概要(訓練により習得できる技能)

機械製図の知識及びCADの知識と機械加工の技術を学び、再就職を目指します!

私達の身の回りにある家電製品、自動車などは金属部品やプラスチックのカバーなどでできています。これらのほとんどは金属製の金型で成形加工されたり金属の塊から削られて作られています。金型や機械部品は、CADを使って図面を作成しNC工作機械などで金属を削って作られます。

機械・CADオペレーション科ではCADによる図面作成から加工に至るまでの知識・技能を学びます。CADの授業ではパソコンを使用して2次元および3次元の部品形状を描いたり、NC工作機械による金属の切削加工で部品作成の技能・技術を学び、再就職を目指します。 訓練では初めて機械の図面を見る方でも理解できるように図面の見方や規格の説明から入り、2次元CADによる機械図面作成及び3次元CADによる立体形状作成に関する知識と技能を習得します。 そして、3次元CADの立体データを活用し、RP装置(3Dプリンタ)でのモデル作成も行います。

また、機械加工の授業では部品を加工するための工具やプログラム・加工条件などの知識を学び、実際に機械を操作して切削加工を行います。
CAMの授業では、切削加工に必要なNCデータを作成してマシニングセンタ・NC旋盤等で加工に関する知識と技能を習得します。

《CADとは》
コンピューター支援設計(Computer aided design)の略称です。手作業で行われていた設計・製図作業をコンピューターを使うことで正確かつ効率的に行うことができるシステムの事です。現在の設計・製図作業には、必須のツールとなっています。

《切削加工とは》
金属あるいはプラスチックなどの材料を刃物で削り出して部品の作成を行うことです。

《NCとは》
数値制御(Numerical Control)の略称です。昔からある旋盤やフライス盤は作業者が一つ一つの工程をハンドルやレバーを操作して加工していましたが、NC工作機械はプログラムを機械に転送し、機械に必要な初期設定を行いボタンを押せばプログラムの指示通りに機械が一連の動作を行い加工します 。

《3Dプリンタとは》
3Dプリンタとは、3次元CADで作成した形状データを直接モデルに作ることが出来る装置です。

《CAMとは》
コンピューター支援製造(Computer aided manufacturing)の略称です。CAMの専用ソフトを用います。CADで描いたデータをソフトに読み込ませ、加工に必要な工具や条件を入力すると自動でNCのプログラムが作成できるものです。

訓練全体(6ヶ月間)の目標人材像(訓練目標)

  • 2次元CADによる機械の部品図及び組立図の作成と、3次元CADによるモデリング、アセンブリ及び図面展開ができる。
  • CADデータから加工に必要なNCデータの作成ができ、また、NC工作機械(マシニングセンタ・NC旋盤)により図面に指示された精度で加工することができる。

訓練課題例

訓練課題例1
訓練課題例2

総訓練時間

  • 660時間

訓練到達目標

1.汎用工作機械加工(旋盤・フライス盤)

旋盤、フライス盤といった汎用工作機械を用いて、金属材料を加工し製品を作り出す技能を習得します。

  • 旋盤の使い方
  • フライス盤の使い方
旋盤による金属加工作業

2.NC工作機械加工

数値制御機械であるマシニングセンタ、NC旋盤の使い方を習得します。

  • NC旋盤の使い方
  • マシニングセンタの使い方
マシニングセンタによる金属加工作業

3.CAMシステム操作

CAD/CAMソフト(MasterCAM)を用いて、NC加工機械を動かすデータを作成できるようになります。

  • CAMの使い方
  • 三次元測定器の使い方
CAMによるデータ作成作業

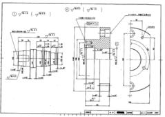
4.2次元CADによる機械製図

機械の設計に必要な図面の読み方や2次元CADソフト(Auto CAD)を使った図面の書き方を習得します。

  • 投影法
  • 図形の表し方
  • 機械要素
2次元CADによる機械部品図

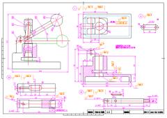
5.「3次元CAD基本 」

3次元CADソフト(Solid Works)の操作方法や3Dモデリング、アセンブリ(3Dモデルの組み立て)及び図面展開を習得します。

  • 3次元モデル作成
  • アセンブリ(組立)
3次元CADによるモデル作成

6.3次元サーフェスと3次元プリンタを使った試作

3次元CADによるサーフェス作成と3次元プリンタの活用実習、3次元サーフェスモデリングを習得します。

  • 3次元プリンタの使い方
3次元プリンタによる試作

受講要件

過去の経験

  • 特に必要ありません

事前に習得していることが望ましいスキル

  • パソコンの基本操作

各訓練科共通要件

  • 再就職の意欲及び職業訓練の受講意欲が強い方
  • コース内容を理解し、就職を希望する職務と希望科との整合性がある方
  • 職業訓練の安全確保及び訓練に支障をきたさないような健康状態である方
  • 集団訓練で必要な協調性のある方

受講料

無料です。
ただし、テキスト・実習服・職業訓練生総合保険料等(約20,000円)については、自己負担となります。

受講生の入所前の職種と修了後に就職した職種

(前職)   (修了後の職種)
一般事務  →  CADオペレーター
歯科技工士 →  CADCAMオペレーター
空調設備施工→  金型製造(機械加工)

訓練に関する職種と仕事内容

主な職種

  1. 機械加工
    NC工作機械(マシニングセンタ、NC旋盤)及び汎用工作機械(旋盤、フライス盤)による金属等の切削 加工のオペレーター
  2. CADオペレーター
    2次元CADによる機械部品図や設備図面の入力・作成作業

職種との相性(こんな方に向いている)

  • ものづくりに興味のある方(機械やアクセサリ作りなど手作業が好きな方)
  • パソコンでイラストや図形を描くことに興味がある方
  • 立体空間のイメージができる方
  • 仕事や作業に対して、出来栄え等にこだわりをもって取り組める方

訓練により就職可能な主な仕事

  • 機械製造業
  • 金属加工業
  • NC加工業
  • NCオペレーター業務
  • NCプログラマ業務
  • CADオペレーター業務
  • 機械設計補助業務

求人票に記載されている職種名

CADエンジニア 、CADオペレーター 、CADオペレーター・技術管理事務 、2次元・3次元CADオペレーター、NCオペレーター 、CAD/CAMオペレーター 、CADアシスタント、CADサポート業務 、機械設計製図 、CAD・マシニングオペレーター、CAD・CAMプログラマー、3次元CADエンジニア 、3次元CAD機械開発設計技術者、CAD設計者、CAD機構設計 、金型設計(CAD) 、機械系CADサポート運用技術者 、機械設計・CADオペレーター

就職率

令和4年度 94.0%
令和5年度 96.1%
令和6年度 94.3%

修了者の主な就職先

  • 株式会社 ケイエムケイ(機械加工職種)
  • 株式会社 コーヨー(機械加工職種)
  • 株式会社 カネヒロ(機械加工職種)
  • 株式会社 豊橋設計(CADオペレーター)
  • 有限会社 アイワ(機械加工)
  • 田尻鉄工 (機械加工)
  • シゲスミス(CAD/CAM)

賃金情報

精密機械装置設計 時給1000円
機械加工 15万円~25万円
CAD設計 16万円~25万円
加工補助  時給800円
マシニング用CAD/CAMオペレーター 17万円~35万円
 ※熊本県内の事例です

訓練修了時に取得できる資格

特にありません

任意で取得可能な資格

CAD利用技術者試験2級

  • CADの周辺知識(概要と機能、作図データ、ネットワーク、知的財産、運用・管理、3次元CAD)や製図の知識(製図一般、製図の原理と表現方法、製図における図形表現方法 )を問う試験です。
  • 試験時間:60分間の多肢選択方式の筆記試験
  • 受験料:5,500円
  • 申込時期:随時
  • 試験日:随時

CAD利用技術者試験1級

  • 2級有資格者を対象に試験時間80分間の実技試験と筆記試験です。
  • 受験料:15,000円
  • 実技試験
    ①機構部品作図(リンク、カム)、②投影図からの作図、③要目表からの作図(機械要素)
  • 筆記試験
    機械製図の知識(機械製図基本、材料、公差とはめあい、幾何公差、表面性状、加工方法、機械要素)
  • 申込時期:4月、9月
  • 試験日:6月、11月

技能検定 機械製図CAD作業 3級(国家資格)

  • 実技試験及び学科試験
  • 受験料:実技17,900円、学科3,100円
  • 実技試験
    実技試験問題及び課題図(機械装置を組み立てた状態の図面)から、指定された部品図をCADにより作成する(180分)。
  • 学科試験
    製図一般、材料、材料力学一般、溶接一般、関連基礎知識、機械製図法等に関する知識を真偽法により試験する(30問、60分間)。
  • 申込時期:10月上旬
  • 試験日:1月下旬

コンピュータサービス技能評価試験(ワープロ部門)2級・3級

  • 2級(6,400円、60分間)、3級(5,100円、50分間)
  • 課題1(文字入力)、課題2(文書作成)、課題3(編集・校正)

コンピュータサービス技能評価試験(表計算部門) 2級・3級

  • 2級(6,710円、60分間)
    課題1(装飾・編集)、課題2(関数式による表の完成)、課題3(データ処理)、課題4(グラフ作成)
  • 3級(5,350円、50分間)
    課題1(表の作成)、課題2(装飾・編集)、課題3(グラフ作成)

就職後のスキルアップ

就職後は、当センターで実施している短期間の在職者訓練コース(有料)を受講したり、就職先の実務経験を活かして、各種資格や技能検定に挑戦するなど、さらにスキルを向上させることができます。 当センターでは、就職後においても新たな職業能力の習得やこれまでの職業能力の更なる 向上に係る相談・支援を行っています。お気軽にご相談下さい。

ページの先頭へ
グローバルメニューへ戻る
本文へ戻る