建築設計の効率化・最適化をめざして、建築一般図の作成手法を習得します。
●建築一般図について
●建築図面に用いる用紙、図面尺度と図面範囲設定
●建築図面に用いる線種と線種設定
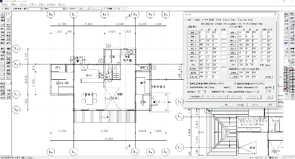
●建築図面に用いる要素とレイヤ—設定
●記号及び寸法と寸法設定
●印刷設定と印刷

建築設計の効率化・最適化をめざして、建築一般図の作成手法を習得します。
●建築一般図について
●建築図面に用いる用紙、図面尺度と図面範囲設定
●建築図面に用いる線種と線種設定
●建築図面に用いる要素とレイヤ—設定
●記号及び寸法と寸法設定
●印刷設定と印刷