ものづくりのための
技術講習
(能力開発セミナー)
電気分野(FA技術コース)
有接点シーケンス制御の実践技術
有接点シーケンス(リレーシーケンス)制御回路の製作のための知識と技術を習得します。工場の生産ラインで自動化に携わる方におすすめです。
1.シーケンス制御の概要
2.制御機器の種類と働き
3.シーケンス図とタイムチャート
4.有接点シーケンス(リレーシーケンス)制御回路の製作実習
①ON回路、OFF回路、AND回路、OR回路
②自己保持回路
③インタロック回路
④タイマ回路
⑤順序始動回路
5.まとめ

| コース番号 | CD031 | CD039 |
|---|---|---|
| 日程 | 6/11(木), 12(金) | 11/5(木), 6(金) |
| 時間 | 9:00~16:00 | |
| 受講料 | 8,000円 | 8,500円 |
| 定員 | 10名 | |
| 持参品 | 筆記用具 | |
| 使用機器 | リレー、スイッチ、表示灯、ブレーカ、テスタ、工具 | |
PLCプログラミング技術(汎用命令編)
生産性の向上をめざし、自動制御システム実習を通して、制御プログラム設計の実務能力を習得します。
1.コース概要及び留意事項
2.PLCの概要と構成
3.負荷装置の概要と配線
4.プログラム実習
①ON回路、OFF回路、AND回路、OR回路
②自己保持回路、インタロック回路
③タイマ回路
④カウンタ回
⑤PLS,PLF命令
5.課題に基づいたプログラム実習

| コース番号 | CD033 | |
|---|---|---|
| 日程 | 6/18(木),19(金) | |
| 時間 | 9:00~16:00 | |
| 受講料 | 8,000円 | |
| 定員 | 10名 | |
| 持参品 | 筆記用具 | |
| 使用機器 | PLC、パソコン、統合開発ソフト(GX Works2)、負荷装置、工具 | |
PLCプログラミング技術(数値命令編)
シーケンス(PLC)制御設計の生産性の向上をめざして、効率化、安全性の向上に向けた自動制御システム制作実習を通して、制御プログラム設計の実務能力を習得します。
1.コース概要及び留意事項
2.自動化におけるPLC
①自動化におけるPLCの位置づけ
②入出力インタフェース
3.プログラム設計
①PLCにおける制御の構造化
②拡張性、可読性のあるプログラムの検討
4.自動制御システム制作実習
①プログラミング実習
5.まとめ

| コース番号 | CD034 | |
|---|---|---|
| 日程 | 7/2(木), 3(金) | |
| 時間 | 9:00~16:00 | |
| 受講料 | 9,000円 | |
| 定員 | 10名 | |
| 持参品 | 筆記用具 | |
| 使用機器 | PLC、パソコン、サポートソフト、負荷装置、工具 | |
PLCプログラミング技術(実践命令編)
シーケンス(PLC)制御設計の生産性の向上をめざして、効率化、適正化、最適化(改善)、安全性向上に向けた自動制御システム制作実習を通して、制御プログラム設計の実務能力を習得します。
1.コース概要及び留意事項
2.自動化技術について
①PLCの概要
②GX Works2の操作方法
3.プログラム設計のポイント
①基本命令でプログラムの作成
4.故障の検出方法
5.安全対策
6.負荷装置を用いた自動化制御実習
7.まとめ

| コース番号 | CD035 |
|---|---|
| 日程 | 8/27(木), 28(金) |
| 時間 | 9:00~17:00 |
| 受講料 | 10,500円 |
| 定員 | 10名 |
| 持参品 | 筆記用具 |
| 使用機器 | PLC、パソコン、統合開発ソフト(GX Works2)、サーボモータ、工具 |
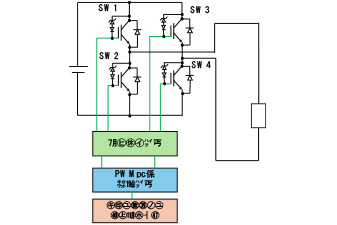
実践インバータ回路の設計と製作 NEW
パワーエレクトロニクス回路設計の生産性向上をめざして、効率化、適正化、最適化、安全性の向上に向けて、PWMインバータ回路を試作し、その特性を理解するとともに、インバータ回路の設計・製作技術を習得する。
1.コース概要及び留意事項
2.パワーエレクトロニクス技術
3.インバータ
①電圧形インバータ
②電流形インバータ
③多重形インバータ
④PWMインバータ
4.制御回路の試作とその特性
5.インバータ回路の試作とその特性
6.まとめ

| コース番号 | CD036 |
|---|---|
| 日程 | 9/1(火), 2(水) |
| 時間 | 9:00~16:00 |
| 受講料 | 8,500円 |
| 定員 | 10名 |
| 持参品 | 筆記用具、USBメモリ |
| 使用機器 | オシロスコープ、テスタ、直流安定化電源、ファンクションジェネレータ、ブレッドボード |
PLCによるFAネットワーク構築技術
シーケンス(PLC)制御設計の生産性の向上をめざして、効率化、適正化、最適化(改善)に向けたネットワーク構築実習を通して、PLCのコントローラ系ネットワーク、フィールド系ネットワークならびに複合ネットワークの構築技術を習得します。
1.コース概要及び留意事項
2.PLC間ネットワーク概要
①FA分野におけるネットワークの概要
3.フィールド系ネットワーク(1台または2台以上のPLC間通信)
①通信の種類と概要
②システム構成
4.PLC→PLC間ネットワーク構築技術
①フィールド系ネットワークとコントローラ系ネットワーク混在システム構築
5.まとめ
※イーサネットを用いたコースは別途ご相談ください。

| コース番号 | CD037 |
|---|---|
| 日程 | 10/22(木), 23(金) |
| 時間 | 9:00~16:00 |
| 受講料 | 9,500円 |
| 定員 | 10名 |
| 持参品 | 筆記用具 |
| 使用機器 | PLC,PLC-PLC間の通信ユニット、パソコン、負荷装置、工具、その他 |
パワーエレクトロニクスを活用したモータ制御回路設計 NEW
パワーエレクトロニクス回路設計の生産性向上をめざして、効率化、適正化、最適化、安全性の向上に向けたパワー素子を用いたモータ制御回路設計・製作実習を通じて、電力制御を習得する。
1.コース概要及び留意事項
2.パワー素子とDCモータ
①各種パワー素子とその特徴
②DCモータの種類とその特徴
3.制御回路設計
4.総合実習
①電子接点によるモータのON/OFF制御回路製作
②温度による空冷ファンの回転制御回路製作
③マイコン制御をイメージしたアナログ回路によるモータ制御製作
5.まとめ

| コース番号 | CD038 |
|---|---|
| 日程 | 10/28(水), 29(木),30(金) |
| 時間 | 9:00~16:00 |
| 受講料 | 11,500円 |
| 定員 | 10名 |
| 持参品 | 筆記用具、USBメモリ |
| 使用機器 | オシロスコープ、テスタ、直流安定化電源、ファンクションジェネレータ、ブレッドボード |
お問い合わせ先
- 東北能開大 青森校
セミナー担当 - 〒037-0002 五所川原市大字飯詰字狐野171-2
- TEL: 0173-37-3201
TEL: 0173-37-3201
FAX: 0173-37-3203 - Email: aomori-college03@jeed.go.jp